微星Z97 PC MATE主板采用Intel Z97芯片组,集成Realtek ALC887 8声道音效芯片,8×USB2.0接口,4×USB3.0接口。以下文档是微星Z97 PC MATE和H97 PC Mate主板使用说明书,有需要的朋友可立即下载此文档。
温馨提示:
本文档为PDF格式文档,因此需确保在阅读之前你已经安装了pdf阅读器,如果尚未安装阅读器,建议下载福昕pdf阅读器或其他PDF阅读器,进行安装后阅读。

微星Z97 PC MATE系列主板说明书目录
Preface ............................................................................................................i
Copyright Notice .......................................................................................................ii
Trademarks ..............................................................................................................ii
Revision History ......................................................................................................ii
Smartphone Application ..........................................................................................iii
Technical Support ..................................................................................................iii
Safety Instructions ..................................................................................................iv
FCC-B Radio Frequency Interference Statement ................................................... v
CE Conformity ......................................................................................................... v
Radiation Exposure Statement ...............................................................................vi
European Community Compliance Statement ........................................................vi
Taiwan Wireless Statements ...................................................................................vi
Japan VCCI Class B Statement ..............................................................................vi
Korea Warning Statements .....................................................................................vi
Battery Information .................................................................................................vii
Chemical Substances Information .........................................................................vii
WEEE (Waste Electrical and Electronic Equipment) Statement ...........................viii
Chapter 1 Getting Started............................................................................1-1
Packing Contents .................................................................................................1-2
Optional accessories ...........................................................................................1-2
Assembly Precautions ..........................................................................................1-3
Motherboard Specifications ..................................................................................1-4
Connectors Quick Guide ......................................................................................1-7
Back Panel Quick Guide ......................................................................................1-9
CPU (Central Processing Unit) ..........................................................................1-11
Introduction to the LGA 1150 CPU ..............................................................1-11
CPU & Heatsink Installation .........................................................................1-12
Memory ..............................................................................................................1-15
Dual-Channel mode Population Rule ..........................................................1-15
Mounting Screw Holes .......................................................................................1-16
Power Supply .....................................................................................................1-17
JPWR1~2: ATX Power Connectors .............................................................1-17
Expansion Slots .................................................................................................1-18
PCI_E1~4: PCIe Expansion Slots ................................................................1-18
PCI1~2: PCI Expansion Slots ......................................................................1-18
Video/ Graphics Cards ......................................................................................1-19
Single Video Card Installation ......................................................................1-19
Internal Connectors ............................................................................................1-20
SATA1~6: SATA Connectors .....................................................................1-20
CPUFAN1~2,SYSFAN1~3: Fan Power Connectors ....................................1-21
JFP1, JFP2: System Panel Connectors ......................................................1-22
JUSB1~2: USB 2.0 Expansion Connectors .................................................1-23
JUSB3: USB 3.0 Expansion Connector .......................................................1-23
JCI1: Chassis Intrusion Connector ..............................................................1-24
JAUD1: Front Panel Audio Connector .........................................................1-24
JTPM1: TPM Module Connector ................................................................1-25
JCOM1: Serial Port Connector ....................................................................1-25
JLPT1: Parallel Port Connector ...................................................................1-26
Jumpers .............................................................................................................1-27
JBAT1: Clear CMOS Jumper .......................................................................1-27
Drivers and Utilities ............................................................................................1-28
Driver/ Utilities Installation ...........................................................................1-28
Chapter 2 Quick Installation ........................................................................2-1
CPU Installation ...................................................................................................2-2
Memory Installation ..............................................................................................2-4
Motherboard Installation .......................................................................................2-5
Power Connectors Installation .............................................................................2-7
SATA HDD Installation .........................................................................................2-9
mSATA SSD Installation ....................................................................................2-10
Front Panel Connector Installation .....................................................................2-11
JFP1 Connector Installation .........................................................................2-11
Front Panel Audio Connector Installation ....................................................2-11
Peripheral Connector Installation .......................................................................2-12
USB2.0 Connector Installation .....................................................................2-12
USB3.0 Connector Installation .....................................................................2-12
Graphics Card Installation ..................................................................................2-13
Chapter 3 BIOS Setup .................................................................................3-1
Entering Setup .....................................................................................................3-2
Entering BIOS Setup .....................................................................................3-2
Press <Del> to run BIOS setup, or <F11> to run boot menu .........................3-2
Overview ..............................................................................................................3-3
Operation .............................................................................................................3-6
SETTINGS ...........................................................................................................3-7
System Status ................................................................................................3-7
Advanced .......................................................................................................3-8
Boot .............................................................................................................3-15
Security ........................................................................................................3-15
Save & Exit ..................................................................................................3-16
OC ......................................................................................................................3-17
M-FLASH ...........................................................................................................3-25
OC PROFILE .....................................................................................................3-26
HARDWARE MONITOR ....................................................................................3-27
Appendix A Intel SBA (optional) ................................................................. A-1
Prerequisites ........................................................................................................A-2
Installing Intel SBA ...............................................................................................A-3
Software Configuration .........................................................................................A-3
Software panel overview ................................................................................A-3
Password settings ..........................................................................................A-4
Help Button ..........................................................................................................A-4
Appendix B Intel RAID ................................................................................ B-1
Introduction ..........................................................................................................B-2
Using Intel Rapid Storage Technology Option ROM............................................B-3
Degraded RAID Array ........................................................................................B-10
System Acceleration (optional) ..........................................................................B-12
RST Synchronization (optional) .........................................................................B-14
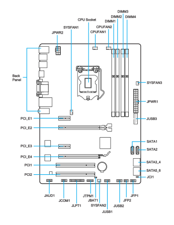
微星Z97 PC MATE系列主板说明书——主板结构图

微星Z97 PC MATE规格参数
CPU 插槽 1150
CPU (最高支持) i7
系统总线 100MHz
芯片组 Intel® Z97 Express
DDR3 内存 DDR3 1066/1333/1600/1866*/2000*/2133*/2200*/2400*/2600*/2666*/2800*/3000*(*OC) MHz
内存通道 Dual
内存插槽 4
最大内存 (GB) 32
PCI-Ex16 2
PCI-E Gen Gen3 (16), Gen2 (4)
PCI-Ex1 2
PCI 2
SATAIII 6
USB 3.0 接口 (前端) 2
USB 2.0 接口 (前端) 4
RAID 0/1/5/10
网络接口 10/100/1000*1
TPM 1
USB 3.0 接口 (背板) 2
USB 2.0 接口 (背板) 4
音源接口 (背板) 3
VGA 1
HDMI 1
DVI 1
共享最大显存 (MB) 512
DirectX DX11
尺寸 ATX
CrossFire Y


97K130-1ZP型消声器(ZW型消声弯管)图集pdf格
LabVIEW宝典pdf超清完整版
ppt设计与沟通技巧讲义pdf格式免费版
四步创业法(精品完整版)pdf高清免费版
中央空调销售工作年终总结doc格式免费版







Spring MVC学习指南pdf高清扫描版
疯狂android讲义第3版pdf高清扫描版【中文版
php从入门到精通第3版pdf高清完整扫描版免费
GB50016-2014建筑设计防火规范pdf格式免费版
别怕 Excel 函数其实很简单pdf高清完整版