微星Z87M GAMING主板支持Socket 1150架构的第四代Intel® Core™ / Pentium® / Celeron® 处理器,使用电竞设备专用端口Gaming Device Port。以下文档是微星Z87M GAMING用户手册,有需要的朋友可立即下载此文档。
温馨提示:
本文档为PDF格式文档,因此需确保在阅读之前你已经安装了pdf阅读器,如果尚未安装阅读器,建议下载福昕pdf阅读器或其他PDF阅读器,进行安装后阅读。

微星Z87M GAMING用户手册目录
Preface ............................................................................................................i
Copyright Notice ......................................................................................................ii
Trademarks ..............................................................................................................ii
Revision History ......................................................................................................ii
Smartphone Application ..........................................................................................iii
Technical Support ..................................................................................................iii
Safety Instructions ..................................................................................................iv
FCC-B Radio Frequency Interference Statement ................................................... v
CE Conformity ......................................................................................................... v
Radiation Exposure Statement ...............................................................................vi
European Community Compliance Statement ........................................................vi
Taiwan Wireless Statements ...................................................................................vi
Japan VCCI Class B Statement ..............................................................................vi
Korea Warning Statements .....................................................................................vi
Battery Information .................................................................................................vii
Chemical Substances Information .........................................................................vii
WEEE (Waste Electrical and Electronic Equipment) Statement ...........................viii
Chapter 1 Getting Started............................................................................1-1
Packing Contents .................................................................................................1-2
Optional accessories ...........................................................................................1-2
Assembly Precautions ..........................................................................................1-3
Motherboard Specifications ..................................................................................1-4
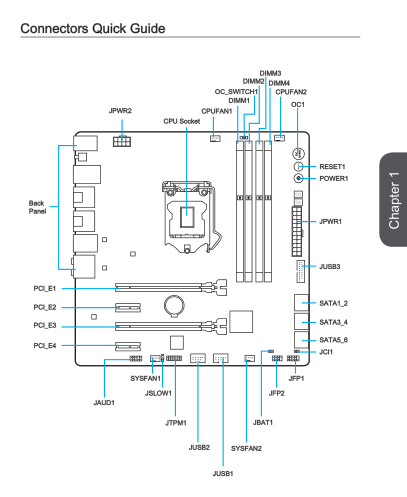
Connectors Quick Guide ......................................................................................1-7
Back Panel Quick Guide ......................................................................................1-9
CPU (Central Processing Unit) ..........................................................................1-11
Introduction to the LGA 1150 CPU ..............................................................1-11
CPU & Heatsink Installation .........................................................................1-12
Memory ..............................................................................................................1-15
Dual-Channel mode Population Rule ..........................................................1-15
Mounting Screw Holes .......................................................................................1-16
Power Supply .....................................................................................................1-17
JPWR1~2: ATX Power Connectors .............................................................1-17
Expansion Slots .................................................................................................1-18
PCI_E1~E4: PCIe Expansion Slots .............................................................1-18
Video/ Graphics Cards ......................................................................................1-19
Single Video Card Installation ......................................................................1-19
AMD CrossFire™ (Multi-GPU) Technology .................................................1-20
NVIDIA ® SLI Technology .............................................................................1-22
Internal Connectors ............................................................................................1-24
SATA1~6: SATA Connectors ......................................................................1-24
CPUFAN1~2,SYSFAN1~2: Fan Power Connectors ....................................1-25
JFP1, JFP2: System Panel Connectors ......................................................1-26
JUSB1~2: USB 2.0 Expansion Connector ...................................................1-27
JUSB3: USB 3.0 Expansion Connector .......................................................1-27
JTPM1: TPM Module Connector .................................................................1-28
JCI1: Chassis Intrusion Connector ..............................................................1-28
JAUD1: Front Panel Audio Connector .........................................................1-29
Buttons & Switches ............................................................................................1-30
OC1: OC Genie Button ...............................................................................1-30
POWER1: Power Button ..............................................................................1-31
RESET1: Reset Button ................................................................................1-31
OC_SWITCH1: OC Genie Mode Switch ......................................................1-31
Jumpers .............................................................................................................1-32
JBAT1: Clear CMOS Jumper .......................................................................1-32
JSLOW1: Slow Mode Booting Jumper ........................................................1-33
LED Status Indicators ........................................................................................1-34
Debug Code LED Table ...............................................................................1-35
Drivers and Utilities ............................................................................................1-36
Total Installer ...............................................................................................1-36
Chapter 2 Quick Installation ........................................................................2-1
CPU Installation ...................................................................................................2-2
Memory Installation ..............................................................................................2-4
Motherboard Installation .......................................................................................2-5
Power Connectors Installation .............................................................................2-7
SATA HDD Installation .........................................................................................2-9
mSATA SSD Installation ....................................................................................2-10
Front Panel Connector Installation .....................................................................2-11
JFP1 Connecotr Installation .........................................................................2-11
Front Panel Audio Connector Installation ....................................................2-11
Peripheral Connector Installation .......................................................................2-12
USB2.0 Connector Installation .....................................................................2-12
USB3.0 Connector Installation .....................................................................2-12
Graphics Card Installation ..................................................................................2-13
Chapter 3 BIOS Setup .................................................................................3-1
Entering Setup .....................................................................................................3-2
Entering BIOS Setup .....................................................................................3-2
Overview ..............................................................................................................3-3
Operation .............................................................................................................3-5
SETTINGS ...........................................................................................................3-6
System Status ................................................................................................3-6
Advanced .......................................................................................................3-7
Boot .............................................................................................................3-13
Security ........................................................................................................3-13
Save & Exit ..................................................................................................3-14
OC ......................................................................................................................3-15
M-FLASH ...........................................................................................................3-25
OC PROFILE .....................................................................................................3-26
HARDWARE MONITOR ....................................................................................3-27
Appendix A Realtek Audio .......................................................................... A-1
Software Configuration .........................................................................................A-2
Software panel overview ................................................................................A-2
Auto popup dialog ..........................................................................................A-3
Hardware Default Setting .....................................................................................A-4
Appendix B Intel RAID ............................................................................... B-1
Introduction ..........................................................................................................B-2
Using Intel Rapid Storage Technology Option ROM............................................B-3
Degraded RAID Array ........................................................................................B-10
System Acceleration ..........................................................................................B-12
RST Synchronization .........................................................................................B-14
微星Z87M GAMING用户手册——主板结构图

微星Z87M GAMING规格参数
CPU 插槽 1150
CPU (最高支持) i7
系统总线 100MHz
芯片组 Intel® Z87 Express Chipset
DDR3 内存 DDR3 1066/1333/1600/1866*/2000*/2133*/2200*/2400*/2600*/2666*/2800*/3000*(*OC) MHz
内存通道 Dual
内存插槽 4
最大内存 (GB) 32
PCI-Ex16 2
PCI-E Gen Gen3 (16,0), (8,8)
PCI-Ex1 2
SATAIII 6
USB 3.0 接口 (前端) 2
USB 2.0 接口 (前端) 4
RAID 0/1/5/10
网络接口 10/100/1000*1
TPM 1
USB 3.0 接口 (背板) 6
USB 2.0 接口 (背板) 2
音源接口 (背板) 6+Optical SPDIF
eSATA 2
Display Port 1
HDMI 2
共享最大显存 (MB) 1024
DirectX 11
尺寸 Micro-ATX
SLI Y
CrossFire Y


计算机网络系统方法(中文第三版)pdf清晰完整
给水排水标准S3图集合订本(上下册)pdf格式免
湖北省人民医院护士年终总结doc格式【免费】
PREMIERE PRO CS4影视编辑实例教程pdf免费完
编译原理(中文第二版)免费版【清晰扫描版龙







Spring MVC学习指南pdf高清扫描版
疯狂android讲义第3版pdf高清扫描版【中文版
php从入门到精通第3版pdf高清完整扫描版免费
GB50016-2014建筑设计防火规范pdf格式免费版
别怕 Excel 函数其实很简单pdf高清完整版