微星Z87-G45 GAMING主板支持Socket 1150架构的第四代 Intel® Core™ / Pentium® / Celeron® 处理器,采用Gaming Device Port,电竞设备专用端口,可随心所欲控制风扇转速。以下文档是微星Z87-G45 GAMING用户手册,有需要的朋友可立即下载此文档。
温馨提示:
本文档为PDF格式文档,因此需确保在阅读之前你已经安装了pdf阅读器,如果尚未安装阅读器,建议下载福昕pdf阅读器或其他PDF阅读器,进行安装后阅读。

微星Z87-G45 GAMING用户手册目录
Preface ............................................................................................................i
Copyright Notice .......................................................................................................ii
Trademarks ..............................................................................................................ii
Revision History .......................................................................................................ii
Smartphone Application ..........................................................................................iii
Technical Support ...................................................................................................iii
Safety Instructions ...................................................................................................iv
FCC-B Radio Frequency Interference Statement ................................................... v
CE Conformity ......................................................................................................... v
Radiation Exposure Statement ...............................................................................vi
European Community Compliance Statement ........................................................vi
Taiwan Wireless Statements ...................................................................................vi
Japan VCCI Class B Statement ..............................................................................vi
Korea Warning Statements .....................................................................................vi
Battery Information .................................................................................................vii
Chemical Substances Information .........................................................................vii
WEEE (Waste Electrical and Electronic Equipment) Statement ...........................viii
Chapter 1 Getting Started............................................................................1-1
Packing Contents .................................................................................................1-2
Optional accessories ...........................................................................................1-2
Assembly Precautions ..........................................................................................1-3
Motherboard Specifications ..................................................................................1-4
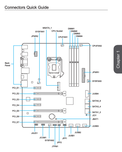
Connectors Quick Guide ......................................................................................1-7
Back Panel Quick Guide ......................................................................................1-9
CPU (Central Processing Unit) ..........................................................................1-11
Introduction to the LGA 1150 CPU ..............................................................1-11
CPU & Heatsink Installation .........................................................................1-12
Memory ..............................................................................................................1-15
Dual-Channel mode Population Rule ..........................................................1-15
Mounting Screw Holes .......................................................................................1-16
Power Supply .....................................................................................................1-17
JPWR1~2: ATX Power Connectors .............................................................1-17
Expansion Slots .................................................................................................1-18
PCI_E1~E7: PCIe Expansion Slot ...............................................................1-18
Video/ Graphics Cards ......................................................................................1-19
Single Video Card Installation ......................................................................1-19
AMD CrossFire™ (Multi-GPU) Technology .................................................1-20
NVIDIA ® SLI Technology .............................................................................1-22
Internal Connectors ............................................................................................1-24
SATA1~6: SATA Connector .......................................................................1-24
CPUFAN1~2,SYSFAN1~3: Fan Power Connectors ....................................1-25
JFP1, JFP2: System Panel Connectors ......................................................1-26
JUSB1~3: USB 2.0 Expansion Connector ...................................................1-27
JTPM1: TPM Module Connector .................................................................1-28
JAUD1: Front Panel Audio Connector .........................................................1-29
JCOM1: Serial Port Connector ....................................................................1-30
Voltage Checkpoints ..........................................................................................1-31
V-Check Spots .............................................................................................1-31
Jumper ...............................................................................................................1-32
JBAT1: Clear CMOS Jumper .......................................................................1-32
Drivers and Utilities ............................................................................................1-33
Total Installer ...............................................................................................1-33
Chapter 2 Quick Installation ........................................................................2-1
CPU Installation ...................................................................................................2-2
Memory Installation ..............................................................................................2-4
Motherboard Installation .......................................................................................2-5
Power Connectors Installation .............................................................................2-7
SATA HDD Installation .........................................................................................2-9
mSATA SSD Installation ....................................................................................2-10
Front Panel Connector Installation .....................................................................2-11
JFP1 Connecotr Installation .........................................................................2-11
Front Panel Audio Connector Installation ....................................................2-11
Peripheral Connector Installation .......................................................................2-12
USB2.0 Connector Installation .....................................................................2-12
USB3.0 Connector Installation .....................................................................2-12
Graphics Card Installation ..................................................................................2-13
Chapter 3 BIOS Setup .................................................................................3-1
Entering Setup .....................................................................................................3-2
Entering BIOS Setup .....................................................................................3-2
Overview ..............................................................................................................3-3
Operation .............................................................................................................3-5
SETTINGS ...........................................................................................................3-6
System Status ................................................................................................3-6
Advanced .......................................................................................................3-7
Boot .............................................................................................................3-14
Security ........................................................................................................3-14
Save & Exit ..................................................................................................3-16
OC ......................................................................................................................3-17
M-FLASH ...........................................................................................................3-26
OC PROFILE .....................................................................................................3-27
HARDWARE MONITOR ....................................................................................3-28
Appendix A Realtek Audio .......................................................................... A-1
Software Configuration .........................................................................................A-2
Software panel overview ................................................................................A-2
Auto popup dialog ..........................................................................................A-3
Hardware Default Setting .....................................................................................A-4
Appendix B Intel RAID ................................................................................ B-1
Introduction ..........................................................................................................B-2
Using Intel Rapid Storage Technology Option ROM............................................B-3
Degraded RAID Array ........................................................................................B-10
System Acceleration (optional) ..........................................................................B-12
RST Synchronization (optional) .........................................................................B-14
微星Z87-G45 GAMING用户手册——主板结构图

微星Z87-G45 GAMING规格参数


三菱FX1S系列微型可编程控制器使用手册pdf格
防溺水知识手抄报资料doc格式免费版【小学生
web前端黑客技术揭秘完整电子版【超清免费版
SPRING技术内幕(深入解析SPRING架构与设计原
牛族超级速读教程pdf免费高清版【速读训练方







05J909/07G120工程做法完整图集(高清无水印
Spring MVC学习指南pdf高清扫描版
疯狂android讲义第3版pdf高清扫描版【中文版
php从入门到精通第3版pdf高清完整扫描版免费
GB50016-2014建筑设计防火规范pdf格式免费版
别怕 Excel 函数其实很简单pdf高清完整版