微星Z97 GAMING 3主板支持Socket 1150架构的第四代及第五代Intel® Core™ / Pentium® / Celeron® 处理器,采用第二代音皇技术将音效电路用具有红色LED背光的线路隔离开来。大幅降低音效信号受到的干扰。以下文档是微星Z97 GAMING 3,H97 GAMING 3,B85 GAMING 3用户手册,为英文版,有需要的朋友可立即下载此文档。
温馨提示:
本文档为PDF格式文档,因此需确保在阅读之前你已经安装了pdf阅读器,如果尚未安装阅读器,建议下载福昕pdf阅读器或其他PDF阅读器,进行安装后阅读。

微星Z97 GAMING 3系列用户手册目录
Preface ............................................................................................................i
Copyright Notice .......................................................................................................ii
Trademarks ..............................................................................................................ii
Revision History .......................................................................................................ii
Smartphone Application ..........................................................................................iii
Technical Support ...................................................................................................iii
Safety Instructions ...................................................................................................iv
FCC-B Radio Frequency Interference Statement ................................................... v
CE Conformity ......................................................................................................... v
Radiation Exposure Statement ...............................................................................vi
European Community Compliance Statement ........................................................vi
Taiwan Wireless Statements ...................................................................................vi
Japan VCCI Class B Statement ..............................................................................vi
Korea Warning Statements .....................................................................................vi
Battery Information .................................................................................................vii
Chemical Substances Information .........................................................................vii
WEEE (Waste Electrical and Electronic Equipment) Statement ...........................viii
Chapter 1 Getting Started............................................................................1-1
Packing Contents .................................................................................................1-2
Optional accessories ...........................................................................................1-2
Assembly Precautions ..........................................................................................1-3
Motherboard Specifications ..................................................................................1-4
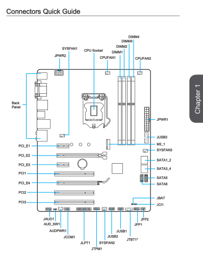
Connectors Quick Guide ......................................................................................1-7
Back Panel Quick Guide ......................................................................................1-9
CPU (Central Processing Unit) ..........................................................................1-11
Introduction to the LGA 1150 CPU ..............................................................1-11
CPU & Heatsink Installation .........................................................................1-12
Memory ..............................................................................................................1-15
Dual-Channel mode Population Rule ..........................................................1-15
Mounting Screw Holes .......................................................................................1-16
Power Supply .....................................................................................................1-17
JPWR1~2: ATX Power Connectors .............................................................1-17
Expansion Slots .................................................................................................1-18
PCI_E1~4: PCIe Expansion Slots ................................................................1-18
PCI1~3: PCI Slots ........................................................................................1-18
Video/ Graphics Cards ......................................................................................1-19
Single Video Card Installation ......................................................................1-19
Internal Connectors ............................................................................................1-20
SATA1~6: SATA Connectors ......................................................................1-20
CPUFAN1~2,SYSFAN1~3: Fan Power Connectors ....................................1-21
JFP1, JFP2: System Panel Connectors ......................................................1-22
JUSB1~2: USB 2.0 Expansion Connectors .................................................1-23
JUSB3: USB 3.0 Expansion Connector .......................................................1-23
JAUD1: Front Panel Audio Connector .........................................................1-24
AUDPWR1: Direct Audio Power Connector ................................................1-24
JLPT1: Parallel Port Connector ...................................................................1-25
M2_1: M.2 Port ............................................................................................1-25
JTPM1: TPM Module Connector ................................................................1-26
JCOM1: Serial Port Connector ....................................................................1-26
JCI1: Chassis Intrusion Connector ..............................................................1-26
Jumpers .............................................................................................................1-27
JBAT1: Clear CMOS Jumper .......................................................................1-27
Switch .................................................................................................................1-28
AUD_SW1: Audio Power Switch ..................................................................1-28
LED Status Indicators ........................................................................................1-29
LED Status Table .........................................................................................1-29
Drivers and Utilities ............................................................................................1-30
Driver/ Utilities Installation ...........................................................................1-30
Chapter 2 Quick Installation ........................................................................2-1
CPU Installation ...................................................................................................2-2
Memory Installation ..............................................................................................2-4
Motherboard Installation .......................................................................................2-5
Power Connectors Installation .............................................................................2-7
SATA HDD Installation .........................................................................................2-9
M.2 module Installation ......................................................................................2-10
Front Panel Connector Installation .....................................................................2-11
JFP1 Connector Installation .........................................................................2-11
Front Panel Audio Connector Installation ....................................................2-11
Peripheral Connector Installation .......................................................................2-12
USB2.0 Connector Installation .....................................................................2-12
USB3.0 Connector Installation .....................................................................2-12
Graphics Card Installation ..................................................................................2-13
Chapter 3 BIOS Setup .................................................................................3-1
Entering Setup .....................................................................................................3-2
Entering BIOS Setup .....................................................................................3-2
Overview ..............................................................................................................3-3
Operation .............................................................................................................3-6
Updating BIOS .....................................................................................................3-7
Updating the BIOS with M-FLASH .................................................................3-7
SETTINGS ...........................................................................................................3-8
System Status ................................................................................................3-8
Advanced .......................................................................................................3-9
Boot .............................................................................................................3-15
Security ........................................................................................................3-16
Save & Exit ..................................................................................................3-17
OC ......................................................................................................................3-18
M-FLASH ...........................................................................................................3-28
OC PROFILE .....................................................................................................3-29
HARDWARE MONITOR ....................................................................................3-30
Appendix A Realtek Audio .......................................................................... A-1
Software Configuration .........................................................................................A-2
Software panel overview ................................................................................A-2
Auto popup dialog ..........................................................................................A-3
Hardware Default Setting .....................................................................................A-4
Appendix B Intel RAID (optional) ................................................................ B-1
Introduction ..........................................................................................................B-2
Using Intel Rapid Storage Technology Option ROM............................................B-3
Degraded RAID Array ........................................................................................B-10
System Acceleration (optional) ..........................................................................B-12
RST Synchronization (optional) .........................................................................B-14
Appendix C Intel SBA (optional) .................................................................C-1
Prerequisites ....................................................................................................... C-2
Installing Intel SBA .............................................................................................. C-3
Software Configuration ........................................................................................ C-3
Software panel overview ............................................................................... C-3
Password settings ......................................................................................... C-4
Help Button ......................................................................................................... C-4
微星Z97 GAMING 3系列用户手册——主板结构图

微星Z97 GAMING 3规格参数
CPU 插槽 1150
CPU (最高支持) i7
M.2 port 1
系统总线 100MHz
芯片组 Intel® Z97 Express Chipset
DDR3 内存 DDR3 1066/1333/1600/1866*/2000*/2133*/2200*/2400*/2600*/2666*/2800*/3000*/3100*/3200*(*OC) MHz
内存通道 Dual
内存插槽 4
最大内存 (GB) 32
PCI-Ex16 2
PCI-E Gen Gen3 (16)
PCI-Ex1 2
PCI 3
USB 3.0 接口 (前端) 2
SATAIII 6
USB 2.0 接口 (前端) 4
RAID 0/1/5/10
网络接口 10/100/1000*1
TPM 1
USB 3.0 接口 (背板) 4
USB 2.0 接口 (背板) 2
音源接口 (背板) 6+Optical SPDIF
Display Port 1
VGA 1
HDMI 1
DVI 1
共享最大显存 (MB) 512
DirectX 11
尺寸 ATX
CrossFire Y


计算机网络自顶向下方法(原书第4版)pdf高清
面试方法培训手册(共50页)doc格式【word版】
Java就业培训教程pdf格式高清完整版
环保手抄报作品欣赏pdf格式【环保手抄报版面
精通C#(中文版)完整免费版【共1201页】







05J909/07G120工程做法完整图集(高清无水印
Spring MVC学习指南pdf高清扫描版
疯狂android讲义第3版pdf高清扫描版【中文版
php从入门到精通第3版pdf高清完整扫描版免费
别怕 Excel 函数其实很简单pdf高清完整版
GB50016-2014建筑设计防火规范pdf格式免费版