微星Z97 GAMING 7主板支持Socket 1150架构的第四代及第五代Intel® Core™ / Pentium® / Celeron® 处理器,支持DDR3-3300(OC)超频内存模块,Guard-Pro全能防护卫士,强化的保护机制设计及能源功效设计。以下文档是微星Z97 GAMING 7用户手册,为英文版,有需要的朋友可立即下载此文档。
温馨提示:
本文档为PDF格式文档,因此需确保在阅读之前你已经安装了pdf阅读器,如果尚未安装阅读器,建议下载福昕pdf阅读器或其他PDF阅读器,进行安装后阅读。

微星Z97 GAMING 7用户手册目录
Preface ............................................................................................................i
Copyright Notice ......................................................................................................ii
Trademarks ..............................................................................................................ii
Revision History ......................................................................................................ii
Smartphone Application ..........................................................................................iii
Technical Support ..................................................................................................iii
Safety Instructions ..................................................................................................iv
FCC-B Radio Frequency Interference Statement ................................................... v
CE Conformity ......................................................................................................... v
Radiation Exposure Statement ...............................................................................vi
European Community Compliance Statement ........................................................vi
Taiwan Wireless Statements ...................................................................................vi
Japan VCCI Class B Statement ..............................................................................vi
Korea Warning Statements .....................................................................................vi
Battery Information .................................................................................................vii
Chemical Substances Information .........................................................................vii
WEEE (Waste Electrical and Electronic Equipment) Statement ...........................viii
Chapter 1 Getting Started............................................................................1-1
Packing Contents .................................................................................................1-2
Optional accessories ...........................................................................................1-2
Assembly Precautions ..........................................................................................1-3
Motherboard Specifications ..................................................................................1-4
Connectors Quick Guide ......................................................................................1-7
Back Panel Quick Guide ......................................................................................1-9
CPU (Central Processing Unit) ..........................................................................1-11
Introduction to the LGA 1150 CPU ..............................................................1-11
CPU & Heatsink Installation .........................................................................1-12
Memory ..............................................................................................................1-15
Dual-Channel mode Population Rule ..........................................................1-15
Mounting Screw Holes .......................................................................................1-16
Power Supply .....................................................................................................1-17
JPWR1~2: ATX Power Connectors .............................................................1-17
Expansion Slots .................................................................................................1-18
PCI_E1~7: PCIe Expansion Slots ................................................................1-18
Video/ Graphics Cards ......................................................................................1-19
Single Video Card Installation ......................................................................1-19
Internal Connectors ............................................................................................1-20
SATA1~8: SATA Connectors ......................................................................1-20
CPUFAN1~2,SYSFAN1~3: Fan Power Connectors ....................................1-21
JFP1, JFP2: System Panel Connectors ......................................................1-22
JUSB1~2: USB 2.0 Expansion Connectors .................................................1-23
JUSB3: USB 3.0 Expansion Connector .......................................................1-24
JCI1: Chassis Intrusion Connector ..............................................................1-24
JAUD1: Front Panel Audio Connector .........................................................1-25
AUDPWR1: Direct Audio Power Connector ................................................1-25
M2_1: M.2 Port ............................................................................................1-26
JTPM1: TPM Module Connector ................................................................1-26
JCOM1: Serial Port Connector ....................................................................1-27
Voltage Checkpoints ..........................................................................................1-28
FV1: V-Check Connectors ...........................................................................1-28
Buttons ...............................................................................................................1-29
OC1: OC Genie Button ...............................................................................1-29
POWER1: Power Button ..............................................................................1-30
RESET1: Reset Button ................................................................................1-30
Jumper ...............................................................................................................1-31
JBAT1: Clear CMOS Jumper .......................................................................1-31
Switch .................................................................................................................1-32
BIOS_SW1: Multi-BIOS Switch ....................................................................1-32
SLOW_1: Slow Mode Booting Switch ..........................................................1-33
AUD_SW1: Audio Power Switch ..................................................................1-33
LED Status Indicators ........................................................................................1-34
LED Status Table .........................................................................................1-34
Debug Code LED Table ...............................................................................1-35
Drivers and Utilities ............................................................................................1-36
Driver/ Utilities Installation ...........................................................................1-36
Chapter 2 Quick Installation ........................................................................2-1
CPU Installation ...................................................................................................2-2
Memory Installation ..............................................................................................2-4
Motherboard Installation .......................................................................................2-5
Power Connectors Installation .............................................................................2-7
SATA HDD Installation .........................................................................................2-9
M.2 module Installation ......................................................................................2-10
Front Panel Connector Installation .....................................................................2-11
JFP1 Connector Installation .........................................................................2-11
Front Panel Audio Connector Installation ....................................................2-11
Peripheral Connector Installation .......................................................................2-12
USB2.0 Connector Installation .....................................................................2-12
USB3.0 Connector Installation .....................................................................2-12
Graphics Card Installation ..................................................................................2-13
Chapter 3 BIOS Setup .................................................................................3-1
Entering Setup .....................................................................................................3-2
Entering BIOS Setup .....................................................................................3-2
Overview ..............................................................................................................3-3
Operation .............................................................................................................3-6
Updating BIOS .....................................................................................................3-7
Updating the BIOS with M-FLASH .................................................................3-7
SETTINGS ...........................................................................................................3-8
System Status ................................................................................................3-8
Advanced .......................................................................................................3-9
Boot .............................................................................................................3-16
Security ........................................................................................................3-16
Save & Exit ..................................................................................................3-17
OC ......................................................................................................................3-18
M-FLASH ...........................................................................................................3-27
OC PROFILE .....................................................................................................3-28
HARDWARE MONITOR ....................................................................................3-29
Appendix A Realtek Audio .......................................................................... A-1
Software Configuration .........................................................................................A-2
Software panel overview ................................................................................A-2
Auto popup dialog ..........................................................................................A-3
Hardware Default Setting .....................................................................................A-4
Appendix B Intel RAID ................................................................................ B-1
Introduction ..........................................................................................................B-2
Using Intel Rapid Storage Technology Option ROM............................................B-3
Degraded RAID Array ........................................................................................B-10
System Acceleration (optional) ..........................................................................B-12
RST Synchronization (optional) .........................................................................B-14
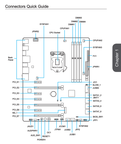
微星Z97 GAMING 7用户手册——主板结构图

微星Z97 GAMING 7规格参数
CPU 插槽 1150
CPU (最高支持) i7
M.2 port 1
系统总线 100MHz
芯片组 Intel® Z97 Express Chipset
DDR3 内存 DDR3 1066/1333/1600/1866*/2000*/2133*/2200*/2400*/2600*/2666*/2800*/3000*/3100*/3200*/3300*(*OC) HMz
内存通道 Dual
内存插槽 4
最大内存 (GB) 32
PCI-Ex16 3
PCI-E Gen Gen3 (16,0,0), (8,8,0), (8,4,4)
PCI-Ex1 4
USB 3.0 接口 (前端) 2
SATAIII 8
USB 2.0 接口 (前端) 4
RAID 0/1/5/10
网络接口 10/100/1000*1
TPM 1
USB 3.0 接口 (背板) 8
USB 2.0 接口 (背板) 2
音源接口 (背板) 6+ Optical SPDIF
Display Port 1
HDMI 2
共享最大显存 (MB) 512
DirectX DX11
尺寸 ATX
SLI Y
CrossFire Y


代码之美(中文版)epub免费完整版
电影美学概述pdf格式完整清晰版【扫描版】
GB50260-2013电力设施抗震设计规范(附条文)
医院护士辞职报告范文doc格式免费版【辞职报
02X101-3综合布线系统工程设计施工图集pdf格







Spring MVC学习指南pdf高清扫描版
疯狂android讲义第3版pdf高清扫描版【中文版
php从入门到精通第3版pdf高清完整扫描版免费
别怕 Excel 函数其实很简单pdf高清完整版
GB50016-2014建筑设计防火规范pdf格式免费版