华硕H81M-K主板在前置及后置面板均有提供USB3.0端口便于增强扩展,体验高速数据传输速度,向下兼容USB 2.0设备,提供多个SATA 6Gb/s端口,传输数据更快。以下文档是华硕H81M-K用户手册,为繁体版本,有需要的朋友可立即下载此文档。
温馨提示:
本文档为PDF格式文档,因此需确保在阅读之前你已经安装了pdf阅读器,如果尚未安装阅读器,建议下载福昕pdf阅读器或其他PDF阅读器,进行安装后阅读。

华硕H81M-K用户手册目录

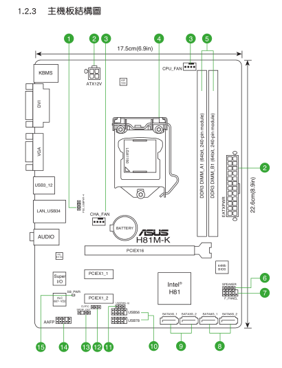
华硕H81M-K用户手册——主板结构图

华硕H81M-K规格参数
中央处理器
支持英特尔® Socket 1150 第4代 酷睿™ i7/酷睿™ i5/酷睿™ i3/奔腾®/赛扬® 处理器
支持英特尔® 22 nm 处理器
支持 英特尔® Turbo Boost 2.0 技术
* 是否支持 Intel® Turbo Boost 2.0 技术的支持依照处理器类型而不同。
芯片组
支持英特尔® H81
内存
2 x DIMM内存插槽, 最大容量 16GB, DDR3 1600/1333/1066 MHz Non-ECC, Un-buffered 内存
双通道内存架构
支持Intel® Extreme Memory Profile (XMP) 技术
*对 Hyper DIMM 的支持功能由 CPU 的物理特性而定。
* 由于芯片组限制,DDR3 1600 MHz及更高内存模块在XMP模式下最高以DDR3 1600 MHz默认值运行。
USB 接口
英特尔® H81 芯片组 :
2 x USB 3.0/2.0 连接端口 (2 个位于后侧面板, 蓝色)
英特尔® H81 芯片组 :
6 x USB 2.0 连接端口 (2 个位于后侧面板, 黑色, 4 个位于主板中央)
尺寸规格
uATX 型式
8.9 英寸 x 6.9 英寸 ( 22.6 厘米 x 17.5 厘米 )


会计易犯的88个错误pdf格式免费版
Java就业培训教程pdf格式高清完整版
程序员的数学(中文版)pdf免费版【清晰扫描版
苏东坡的故事全集2015 免费版 【doc 精选版
ppt设计与沟通技巧讲义pdf格式免费版




GB50016-2014建筑设计防火规范pdf格式免费版
05J909/07G120工程做法完整图集(高清无水印
疯狂android讲义第3版pdf高清扫描版【中文版