华硕A78M-E主板采用ESD静电防护,延长料件使用寿命,板载可复式保险丝(自恢复保险丝)防止内存因过电流和短路损坏。以下文档是华硕A78M-E用户手册,有需要的朋友可立即下载此文档。
温馨提示:
本文档为PDF格式文档,因此需确保在阅读之前你已经安装了pdf阅读器,如果尚未安装阅读器,建议下载福昕pdf阅读器或其他PDF阅读器,进行安装后阅读。
华硕A78M-E用户手册目录

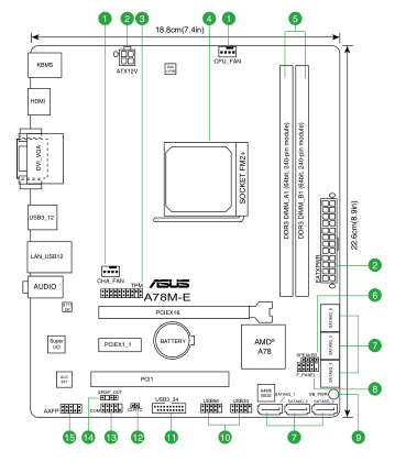
华硕A78M-E用户手册——主板结构图

华硕A78M-E规格参数
中央处理器
AMD Socket FM2+ Athlon™/A- 系列 处理器
支持 CPU 可达4 核心
支持 AMD® Turbo Core 3.0 技术
芯片组
AMD A78 (Bolton D3)
内存
2 x DIMM内存插槽, 最大容量 32GB, DDR3 2400(超频)/2133/1866/1600/1333 MHz Non-ECC, Un-buffered 内存
双通道内存架构
支持AMD Memory Profile (AMP) 内存
*对 Hyper DIMM 的支持功能由 CPU 的物理特性而定。
*当您安装4GB以上内存时,Windows® 32位操作系统可能仅识别为3GB以下。因此,如您使用4GB以上的内存,推荐使用Windows® 64位操作系统。
* 16GB或更大容量内存条可支持 32GB 总内存。内存条一经上市,华硕将立即更新内存合格供货商列表(QVL)
USB 接口
AMD A78 FCH(Bolton D3) 芯片组 :
4 x USB 3.0/2.0 连接端口 (2 个位于后侧面板, 蓝色, 2 个位于主板中央)
AMD A78 FCH(Bolton D3) 芯片组 :
6 x USB 2.0/1.1 连接端口 (2 个位于后侧面板, 黑色, 4 个位于主板中央)
尺寸规格
mATX 型式
8.9 英寸 x 7.4 英寸 ( 22.6 厘米 x 18.8 厘米 )


系统分析师UML用例实战pdf清晰影印版
Ruby语法基础教程pdf最新整理版【免费版】
诛仙2新手攻略诛仙2chm帮助文档
武汉钢铁集团财务工作总结doc格式【免费】
C++反汇编与逆向分析技术揭秘epub格式【完整








GB50016-2014建筑设计防火规范pdf格式免费版
05J909/07G120工程做法完整图集(高清无水印
疯狂android讲义第3版pdf高清扫描版【中文版