这里小编给大家带来的是联想E1922s Wide液晶显示器说明书,有需要的朋友可以下载联想e1922s使用说明书查看详细的内容。
联想e1922s说明书目录

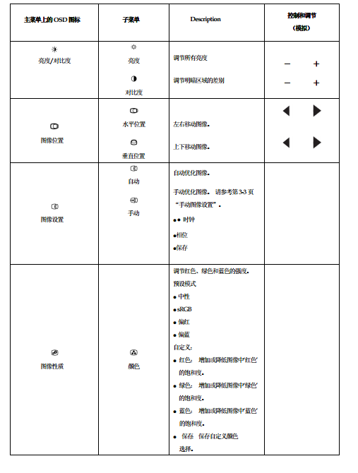
联想e1922s说明书预览




联想e1922s说明书介绍
下载地址
编辑推荐
常熟农村商业银行东海支行工作人员应聘报名
49KB / 05-12 / docx【2015年最新版】
Pro Git(git学习教程)pdf格式免费版【git学
4.1M / 05-11 / pdf格式免费版【git学习笔记】
仓库管理表格模板范本docx格式【简单实用的
248KB / 05-11 / docx格式【简单实用的表格样板】
婚假请假条范文及格式doc格式免费版【晚婚婚
7KB / 04-10 / doc格式免费版【晚婚婚假请假条】
公务员年休假假条doc格式免费版【年休假申请
7KB / 04-10 / doc格式免费版【年休假申请书】
相关合集
本类软件排行