07K203建筑空调循环冷却水系统设计与安装图集是一份适用于民用及一般性工业建筑空调冷却水系统的设计与施工的参考图集,该图集一般被简称为07k203图集。本节内容小编为大家整理带来的是一份pdf格式超清完整版由83页组成的无水印07k203图集,以下是关于该图集的相关介绍,希望对大家有所帮助!另外,该图集完全免费,有需要的朋友可以放心下载哦!
07k203图集内容简介
图集包括:一个完整的设计施工说明;目前常用的建筑空调冷却水系统工艺流程与控制原理图;各种常用冷却塔的选型及安装。本图集内容不仅包括冷却塔选用、安装及常规冷却水系统的原理图和自控原理,还纳入了具有节能意义的地源热泵、水环热泵、热回收型、租户式及冷却塔供冷系统的冷却冰系统原理图及自控原理,充分反映了近年来建筑空调冷却水系统的变化与发展。
07k203图集目录
目 录1
编制说明5
设计选用与施工说明6
1 空调冷却水系统原理图
常规空调冷却水系统原理图(一)水泵前置、开式冷却塔、冷凝器一对一接管16
常规空调冷却水系统原理图(二)水泵后置、开式冷却塔、冷凝器一对一接管17
常规空调冷却水系统原理图(三)水泵前置、开式冷却塔、共用集管连接18
常规空调冷却水系统原理图(四)多组设备、水泵前置、开式冷却塔、共用集管连接19
常规空调冷却水系统原理图(五)水泵后置、开式冷却塔、共用集管连接20
常规空调冷却水系统原理图(六)吸收式制冷、多台布置、冷却塔吸收器共用集管21
埋管式地源热泵空调冷却/热源水系统原理图(一) 不设冷却塔22
埋管式地源热泵空调冷却/热源水系统原理图(二) 设冷却塔23
井水抽灌型地源热泵空调冷却/热源水系统原理图(一) 不设冷却塔24
井水抽灌型地源热泵空调冷却/热源水系统原理图(二) 设冷却塔25
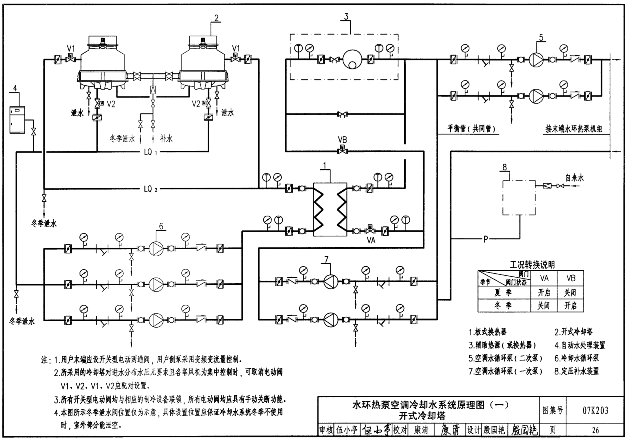
水环热泵空调冷却水系统原理图(一) 开式冷却塔26
水环热泵空调冷却水系统原理图(二) 闭式冷却塔27
热回收型空调冷却水系统原理图(一) 热回收冷水机组28
热回收型空调冷却水系统原理图(二) 热泵热水机组29
开式冷却塔供冷空调冷却水系统原理图30
闭式冷却塔供冷空调冷却水系统原理图31
冷机具有自由制冷功能的空调冷却水系统原理图32
开式冷却塔租户空调冷却水系统原理图33
闭式冷却塔租户空调冷却水系统原理图34
2 空调冷却水系统自控原理图
空调冷却水系统通用自控原理图(一) 开式单塔35
空调冷却水系统通用自控原理图(二) 开式组合塔36
空调冷却水系统通用自控原理图(三) 旁通、冷却塔排污、自动过滤控制37
常规空调冷却水系统自控原理图(一) 水泵前置、开式冷却塔、冷凝器一对一接管38
常规空调冷却水系统自控原理图(二) 水泵后置、开式冷却塔、冷凝器一对一接管39
常规空调冷却水系统自控原理图(三) 水泵前置、开式冷却塔、共用集管连接40
常规空调冷却水系统自控原理图(四) 多组设备、水泵前置、开式冷却塔、共用集管连接41
常规空调冷却水系统自控原理图(五) 水泵后置、开式冷却塔、共用集管连接42
常规空调冷却水系统自控原理图(六) 吸收式制冷、多台布置、冷却塔吸收器共用集管43
埋管式地源热泵空调冷却/热源水系统自控原理图(一) 不设冷却塔44
埋管式地源热泵空调冷却/热源水系统自控原理图(二) 设冷却塔45
井水抽灌型地源热泵空调冷却/热源水系统自控原理图(一) 不设冷却塔46
井水抽灌型地源热泵空调冷却/热源水系统自控原理图(二) 设冷却塔47
水环热泵空调冷却水系统自控原理图(一) 开式冷却塔48
水环热泵空调冷却水系统自控原理图(二) 闭式冷却塔49
热回收型空调冷却水系统自控原理图(一) 热回收冷水机组50
热回收型空调冷却水系统自控原理图(二) 热泵热水机组51
开式冷却塔供冷空调冷却水系统自控原理图52
闭式冷却塔供冷空调冷却水系统自控原理图53
冷机具有自由制冷功能的空调冷却水系统自控原理图54
开式冷却塔租户空调冷却水系统自控原理图55
闭式冷却塔租户空调冷却水系统自控原理图56
3 冷却塔的设计选用
横流低噪声玻璃钢冷却塔外形图57
横流低噪声玻璃钢冷却塔外形图、外形尺寸表58
横流低噪声玻璃钢冷却塔基础图、基础尺寸表59
横流低噪声玻璃钢冷却塔性能参数表、不同工况选用表60
方形逆流式玻璃钢冷却塔外形图61
方形逆流式玻璃钢冷却塔外形图、外形尺寸表62
方形逆流式玻璃钢冷却塔基础图63
方形逆流式玻璃钢冷却塔基础尺寸表、不同工况选用表64
圆形逆流低噪声玻璃钢冷却塔外形图、外形尺寸表65
圆形逆流低噪声玻璃钢冷却塔基础图66
圆形逆流低噪声玻璃钢冷却塔基础尺寸表67
圆形逆流低噪声玻璃钢冷却塔性能参数表、热力特性曲线68
圆形逆流低噪声玻璃钢冷却塔不同工况选用表69
无风机玻璃钢冷却塔外形图、外形尺寸表70
无风机玻璃钢冷却塔基础图、基础尺寸表71
无风机玻璃钢冷却塔不同工况选用表72
闭式玻璃钢冷却塔外形图(一)73
闭式玻璃钢冷却塔外形图(二)74
闭式玻璃钢冷却塔外形尺寸表75
闭式玻璃钢冷却塔基础图、基础尺寸表76
闭式玻璃钢冷却塔不同工况选用表77
离心风机鼓风式冷却塔构造原理图及安装78
离心风机鼓风式冷却塔外形图79
离心风机鼓风式冷却塔外形图及安装说明80
离心风机鼓风式冷却塔外形尺寸、性能参数表及不同工况选用表81
冷却塔布置与安装82
07k203图集样张





索尼A6100使用说明书pdf格式高清版
04D702-1常用低压配电设备安装图集pdf格式【
百度搜索引擎优化指南(中文版)2.0【官方版】
GB51080-2015城市消防规划规范pdf格式最新免
元素模式pdf扫描版【免费清晰版】







GB50016-2014建筑设计防火规范pdf格式免费版
疯狂android讲义第3版pdf高清扫描版【中文版