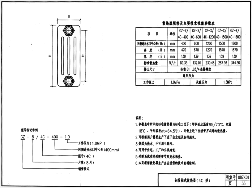
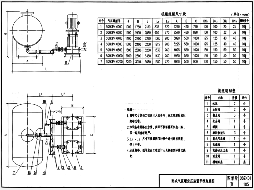
08ZK01暖气工程图集是一份适用于民用建筑与工业建筑的热水、蒸汽采暖系统的设备、附件及管道的设计和安装,共设计、施工、监理等单位工作人员使用的参考图集,该图集一般被简称为08zk01图集,本节内容小编为大家整理带来的是一份pdf格式高清电子版08ZK01暖气工程图集,如果你需要这份免费的优质图集,那就赶紧点击本文相应的下载地址进行下载吧!
温馨提示:
本文档为PDF格式文档,因此需确保在阅读之前你已经安装了pdf阅读器,如果尚未安装阅读器,建议下载福昕pdf阅读器或其他PDF阅读器进行安装后阅读。
08zk01图集样张






写给大家看的设计书(第三版)epub第3版【高清
动感书籍编辑器(CHM格式基础上扩充形成图书
SQL语言艺术(中文版)pdf超清扫描版
三菱FX2N-8AD特殊功能模块用户指南pdf格式免
数据挖掘与R语言pdf格式高清版【r语言入门书







GB50016-2014建筑设计防火规范pdf格式免费版
05J909/07G120工程做法完整图集(高清无水印
疯狂android讲义第3版pdf高清扫描版【中文版