这里为大家提供下载的文档为93(03)G321钢筋混凝土连系梁2003年局部修改版,供大家参考!该93(03)G321钢筋混凝土连系梁图集为pdf格式免费版,图集内容完整,字迹清晰,有需要的朋友只需点击本文相应的下载地址进行下载即可,希望对大家有所帮助!
93(03)G321钢筋混凝土连系梁图集相关介绍
钢结构专业标准图集总汇
92(03)G410-1~3 1.5m×6.0m预应力混凝土屋面板
93(03)G320 钢筋混凝土基础梁
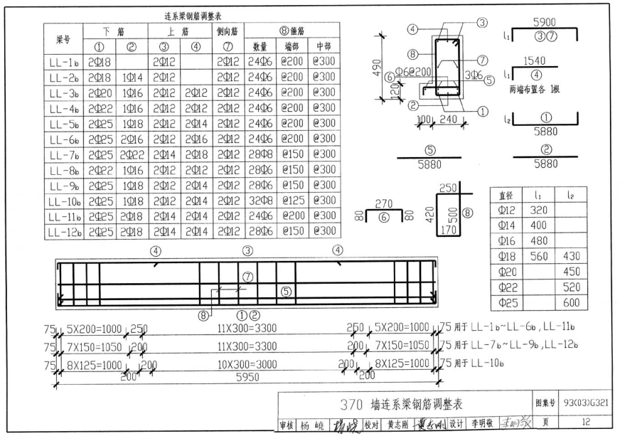
93(03)G321钢筋混凝土连系梁
95(03)G314-1~2钢筋混凝土折线形屋架
95(03)G323-1~2钢筋混凝土吊车梁
95(03)G325吊车轨道联结
95(03)G337吊车梁走道板
96(03)G353-1~6钢筋混凝土屋面梁
97(03)G329-3~6建筑物抗震构造详图
97(03)G361预制钢筋混凝土方桩
98(03)SG372钢筋混凝土雨篷
95(03)G415-6~10预应力混凝土折线形屋架(预应力钢绞线,跨度18m~30m)
95(03)G426 6m后张法预应力混凝土吊车梁
95(03)G439预应力混凝土叠合板
96(03)SG612 多孔砖墙体结构构造
96(03)SG13-1~2混凝土小型空心砖砌块结构构造
99(03)ZG408 SP预应力空心板
93(03)G321钢筋混凝土连系梁图集图样





stl源码剖析pdf高清免费版【扫描版】
AG3Decrypt.exe解包工具2007绿色版
技术元素(中文版)pdf完整清晰版【电子版】
01S122-1RV系列导流型容积式水加热器选用及
尤克里里新手入门教程doc格式【word版】







GB50016-2014建筑设计防火规范pdf格式免费版
05J909/07G120工程做法完整图集(高清无水印
疯狂android讲义第3版pdf高清扫描版【中文版