99S203消防水泵接合器安装图集是一份适用于室内消防系统工作压力≤1.6MPa的场所的图集。该图集一般被简称为99s203图集或是消防水泵接合器安装图集,本节内容小编为大家整理带来的是一份pdf格式免费高清版的99s203图集,该图集共由52页组成,图集内容完整,字迹清晰,需要一份“99s203图集免费下载”文档的朋友点击本文相应的下载地址即可将这份图集收入囊中,欢迎有需要的朋友下载使用!
温馨提示:
本文档为PDF格式文档,因此需确保在阅读之前你已经安装了pdf阅读器,如果尚未安装阅读器,建议下载福昕pdf阅读器或其他PDF阅读器进行安装后阅读。
99S203消防水泵接合器安装图集图样




99S203消防水泵接合器安装图集目录
目录1
总说明4
SQB100、150-A型墙壁式消防水泵接合器安装图5
SQB100、150-B型墙壁式消防水泵接合器安装图6
SQB100、150-C型墙壁式消防水泵接合器安装图7
SQB100、150-D型墙壁式消防水泵接合器安装图8
SQB100、150-E型墙壁式消防水泵接合器安装图9
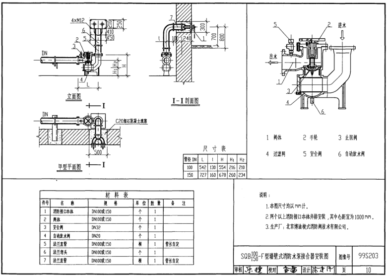
SQB100、150-F型墙壁式消防水泵接合器安装图10
SQS100、150-A型地上式消防水泵接合器安装图(单组布置、砖砌井室、顶面不过汽车)11
SQS100、150-B型地上式消防水泵接合器安装图(单组布置、砖砌井室、顶面不过汽车)12
SQS100、150-C型地上式消防水泵接合器安装图(单组布置、砖砌井室、顶面不过汽车)13
SQS100、150-D型地上式消防水泵接合器安装图(单组布置、砖砌井室、顶面不过汽车)14
SQS100、150-E型地上式消防水泵接合器安装图(单组布置、砖砌井室、顶面不过汽车)15
SQS100、150-F型地上式消防水泵接合器安装图(单组布置、砖砌井室、顶面不过汽车)16
SQX100、150-A型地下式消防水泵接合器安装图(单组布置、砖砌井室、顶面不过汽车)17
SQX100、150-B型地下式消防水泵接合器安装图(单组布置、砖砌井室、顶面不过汽车)18
SQX100、150-C型地下式消防水泵接合器安装图(单组布置、砖砌井室、顶面不过汽车)19
SQX100、150-D型地下式消防水泵接合器安装图(单组布置、砖砌井室、顶面不过汽车)20
SQX100、150-E型地下式消防水泵接合器安装图(单组布置、砖砌井室、顶面不过汽车)21
SQX100、150-F型地下式消防水泵接合器安装图(单组布置、砖砌井室、顶面不过汽车)22
SQS100、150-A型地上式消防水泵接合器安装图(两组并列布置、砖砌井室、顶面不过汽车)23
SQS100、150-B~F型地上式消防水泵接合器安装图(两组并列布置、砖砌井室、顶面不过汽车)24
SQX100、150-A~F型地下式消防水泵接合器安装图(两组并列布置、砖砌井室、顶面不过汽车)25
SQX100、150-A~F型地下式消防水泵接合器井结构尺寸、材料及工程量表(两组并列布置、砖砌井室、顶面不过汽车)26
砖砌消防水泵接合器井平、剖面图(顶面可过汽车)27
砖砌消防水泵接合器井结构尺寸及工程量表(一)(地上式、单组布置、顶面可过汽车)28
砖砌消防水泵接合器井结构尺寸及工程量表(二)(地上式、两组并列布置、顶面可过汽车)29
砖砌消防水泵接合器井结构尺寸及工程量表(三)(地下式、单组布置、顶面可过汽车)30
砖砌消防水泵接合器井结构尺寸及工程量表(四)(地下式、两组并列布置、顶面可过汽车)31
砖砌消防水泵接合器井顶部圈梁配筋及材料表(一)(顶面可过汽车)32
砖砌消防水泵接合器井顶部圈梁配筋及材料表(二)(顶面可过汽车)33
砖砌消防水泵接合器井底板配筋及材料表(顶面可过汽车)34
钢筋混凝土消防水泵接合器井平、剖面图(顶面可过汽车)35
钢筋混凝土消防水泵接合器井配筋图(顶面可过汽车)36
钢筋混凝土消防水泵接合器井钢筋材料表(一)(A×B=1250×1250、顶面可过汽车)37
钢筋混凝土消防水泵接合器井钢筋材料表(二)(A×B=1500×1250、顶面可过汽车)38
钢筋混凝土消防水泵接合器井钢筋材料表(三)(A×B=1750×1250、顶面可过汽车)39
钢筋混凝土消防水泵接合器井钢筋材料表(四)(A×B=1750×1500、顶面可过汽车)40
钢筋混凝土消防水泵接合器井钢筋材料表(五)(A×B=1750×1750、顶面可过汽车)41
钢筋混凝土消防水泵接合器井结构尺寸及工程量表(一)(地上式、单组布置、顶面可过汽车)42
钢筋混凝土消防水泵接合器井结构尺寸及工程量表(二)(地上式、两组并列布置、顶面可过汽车)43
钢筋混凝土消防水泵接合器井结构尺寸及工程量表(三)(地下式、单组布置、顶面可过汽车)44
钢筋混凝土消防水泵接合器井结构尺寸及工程量表(四)(地下式、两组并列布置、顶面可过汽车)45
消防水泵接合器井轻型盖板配筋图(适用于砖砌井室、顶面不过汽车)46
消防水泵接合器井轻型盖板材料表(适用于砖砌井室、顶面不过汽车)47
消防水泵接合器井重型盖板配筋图(适用于顶面可过汽车)48
消防水泵接合器井重型盖板材料表(适用于顶面可过汽车)49
消防水泵接合器井盖板选用表50
SQD100、150型多用式消防水泵接合器安装图
pdf格式免费版99S203消防水泵接合器安装图集相关内容小编就为大家介绍到这里了,更多pdf格式免费图集资料下载,敬请关注东坡下载站!

交通安全宣传手册pdf格式免费版【可打印】
黑客攻防技术宝典(Web实战篇第2版)epub格式
三年级数学手抄报图片及资料大全pdf格式免费
GB50116-2013火灾自动报警系统设计规范pdf格
05SFJ05防空地下室室外出入口部钢结构装配式







GB50016-2014建筑设计防火规范pdf格式免费版
12J201平屋面建筑构造电子版高清图集pdf格式
疯狂android讲义第3版pdf高清扫描版【中文版