07S906给水排水构筑物设计选用图一般被简称为07s906图集,该图集主要适用于民用建筑与一般工业建筑及城镇的给水排水工程。本节内容小编为大家整理带来的这份07s906图集为pdf格式免费版,如果你需要这份07S906给水排水构筑物设计选用图的话,点击本文相应的下载地址进行下载即可,欢迎有需要的朋友下载使用哦!
温馨提示:
本文档为PDF格式文档,因此需确保在阅读之前你已经安装了pdf阅读器,如果尚未安装阅读器,建议下载福昕pdf阅读器或其他PDF阅读器进行安装后阅读。
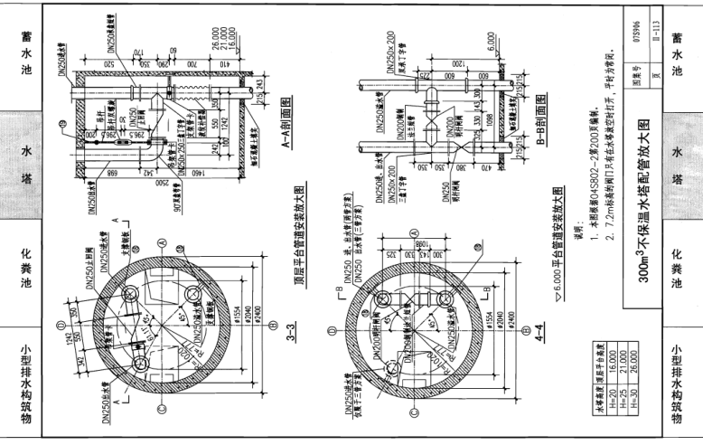
07S906给水排水构筑物设计选用图图样




pdf格式免费版07S906给水排水构筑物设计选用图关内容小编就为大家介绍到这里了,更多pdf格式免费图集资料下载,敬请关注东坡下载站!

联想电视50S9i安装说明pdf格式免费版
集体智慧编程(中文版)pdf格式高清免费版
自信教育主题班会主题班会课件免费版【自信
环保手抄报作品欣赏pdf格式【环保手抄报版面
计算机程序的构造和解释(中文原书第二版)pd







GB50016-2014建筑设计防火规范pdf格式免费版
疯狂android讲义第3版pdf高清扫描版【中文版