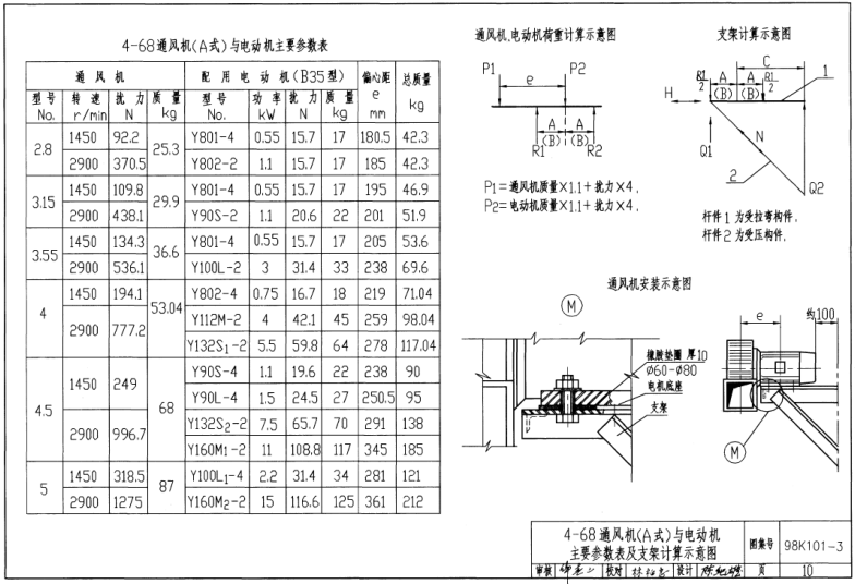
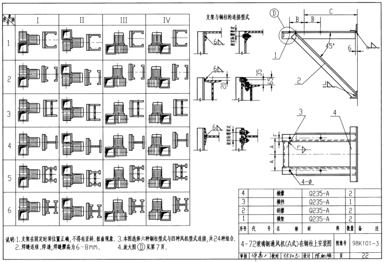
98K101-3离心通风机安装图(A式在钢支架上安装)图集又被简称为98k1013图集,该图集主要适用于A-72,B4-72离心式通风机(A式),4-68离心式通风机(A式),4-72离心式玻璃钢通风机(A式)在钢支架上的安装,本节内容小编为大家整理带来的是pdf格式超清免费版98k1013图集,图集内容清晰,以下是该图集的图样,有需要的朋友可以点击本文相应的下载地址下载查阅该图集!
温馨提示:
本文档为PDF格式文档,因此需确保在阅读之前你已经安装了pdf阅读器,如果尚未安装阅读器,建议下载福昕pdf阅读器或其他PDF阅读器进行安装后阅读。
98K101-3离心通风机安装图(A式在钢支架上安装)图集图样




pdf格式免费版98K101-3离心通风机安装图(A式在钢支架上安装)图集相关内容小编就为大家介绍到这里了,更多pdf格式免费图集资料下载,敬请关注东坡下载站!

加密与解密(原书第三版)epub格式【免费高清
韩语口语900句Word免费版【含音频带中文】
路由器密码破解教程(图文教程)word免费版
05SJ918-1传统特色小城镇住宅(徽州地区)图集
iOS编程(第4版)pdf高清电子版



GB50016-2014建筑设计防火规范pdf格式免费版
12J201平屋面建筑构造电子版高清图集pdf格式
疯狂android讲义第3版pdf高清扫描版【中文版