01R413室外热力管道安装(架空敷设)图集是一份主要适用于室外热力管道架空敷设形式的安装图集,该图集一般被人简称为01r413图集,本节内容小编为大家精选带来的是这一图集的pdf格式高清版,该图集内容完整,共由131页组成,需要这样一份图集作为参考资料的朋友欢迎点击本文相应的下载地址下载使用这份01R413室外热力管道安装(架空敷设)图集。
温馨提示:
本文档为PDF格式文档,因此需确保在阅读之前你已经安装了pdf阅读器,如果尚未安装阅读器,建议下载福昕pdf阅读器或其他PDF阅读器进行安装后阅读。
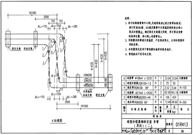
01R413室外热力管道安装(架空敷设)图集图样





pdf格式免费版01R413室外热力管道安装(架空敷设)图集相关内容小编就为大家介绍到这里了,更多pdf格式免费图集资料下载,敬请关注东坡下载站!

美味烧烤完全图解pdf格式免费版【高清彩版】
05SFK10人民防空地下室设计规范图示(通风专
软件测试(中文第三版)pdf免费清晰版【软件测
大学信息技术pdf格式【高清扫描版】
华为P8用户指南pdf格式免费版【使用手册】







GB50016-2014建筑设计防火规范pdf格式免费版
05J909/07G120工程做法完整图集(高清无水印
疯狂android讲义第3版pdf高清扫描版【中文版