03R401-2开式水箱图集简称为03r4012图集,本图集一般工业与民用建筑中生产与生活冷水、热水的贮存。如贮存生活饮用水,其水箱的选材或表面防腐处理应符合当地有关主管部门的要求。本节内容小编为大家精选带来的是这一图集的pdf格式免费版,该图集内容完整,字迹清晰,有需要这样一份图集作为工作或学习参考资料的朋友,点击本文相应的下载地址尽快查阅该图集的完整版,欢迎有需要的朋友下载查阅!
温馨提示:
本文档为PDF格式文档,因此需确保在阅读之前你已经安装了pdf阅读器,如果尚未安装阅读器,建议下载福昕pdf阅读器或其他PDF阅读器进行安装后阅读。
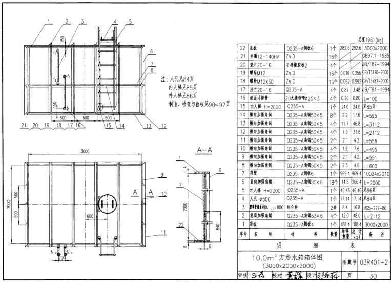
03R401-2开式水箱图集图样




pdf格式免费版03R401-2开式水箱图集 相关内容小编就为大家介绍到这里了,更多pdf格式免费图集资料下载,敬请关注东坡下载站!

GEO 2015年在线旅游行业洞察报告pdf格式最新
超越平凡的平面设计(版式设计原理与应用)pd
ASUS华硕全系列显卡简体中文版说明书
尼康D750中文使用指南pdf高清电子版【完整无
01S122-1RV系列导流型容积式水加热器选用及







GB50016-2014建筑设计防火规范pdf格式免费版
疯狂android讲义第3版pdf高清扫描版【中文版