04S301建筑排水设备附件选用安装图集简称为04s301图集或是国标04s301,该图集适用于民用与一般工业建筑排水设备附件的选用与安装。本节内容小编为大家整理带来的是该图集的pdf格式版本,有需要的朋友可以点击相应的下载地址进行下载查阅!另外,该图集共由119页组成,图集内容完整,自己清晰,适合打印使用。
温馨提示:
本文档为pdf格式,因此需确保在阅读之前你已经安装了pdf阅读器,如果尚未安装阅读器,建议下载福昕pdf阅读器或其他PDF阅读器,进行安装后阅读。
04S301建筑排水设备附件选用安装图集图样




04S301建筑排水设备附件选用安装图集简介
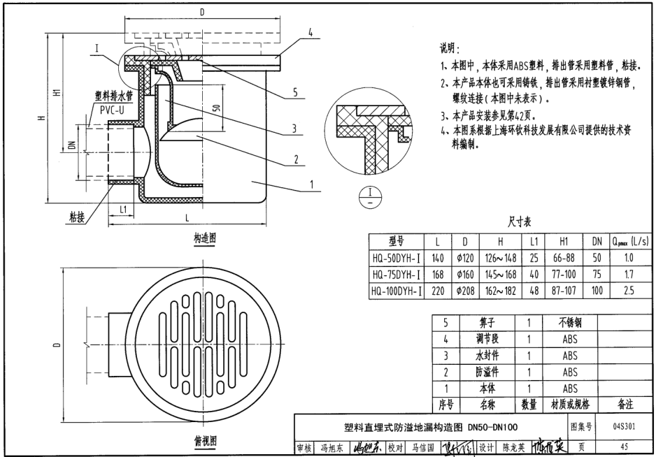
本图集适用于民用与一般工业建筑排水设备附件的选用与安装。包括清扫口、地漏、不锈钢悬挂式水封盒、排水口、排水漏斗、通气帽、脏物捕集器、毛发聚集器、除渣箱、隔油器、阻火圈、不同材质排水管道连接等产品的构造和安装详图等内容。设计人员可按图集选择产品及做法,施工人员可按图集订货及安装。当选择其它厂商的产品时,设计人员注意核对技术参数和安装尺寸,施工人员可参考本图集安装。
pdf格式免费版04S301建筑排水设备附件选用安装图集相关内容小编就为大家介绍到这里了,更多pdf格式免费图集资料下载,敬请关注东坡下载站!

人件(原书第3版)高清完整版
JDPaint5.0精雕基础入门教程pdf格式免费版
09X700智能建筑弱电工程设计与施工图集(上册
SEO实战密码(第二版)pdf扫描版【清晰无水印
SPRING技术内幕(深入解析SPRING架构与设计原




GB50016-2014建筑设计防火规范pdf格式免费版
05J909/07G120工程做法完整图集(高清无水印
Spring MVC学习指南pdf高清扫描版
疯狂android讲义第3版pdf高清扫描版【中文版