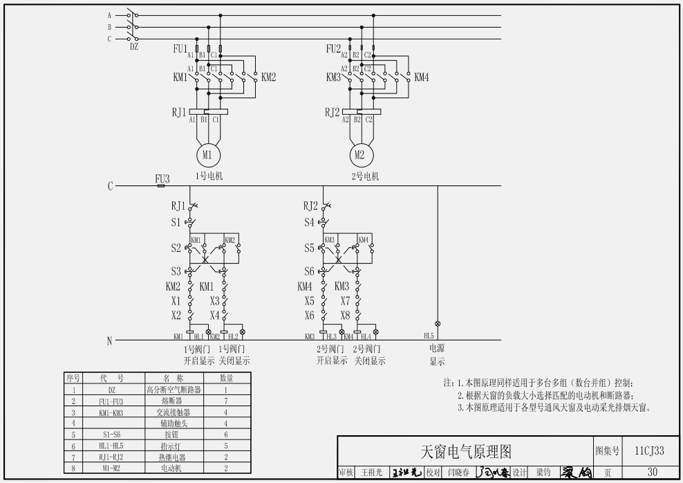
11CJ33通风采光天窗图集适用于工业与民用建筑的屋面通风、采光及排烟。主要用于冶金、航空、造船、机械、玻璃、轻工等行业建筑及大型公共建筑。本节内容小编为大家精选带来的11CJ33通风采光天窗图集为超清电子版,共有34页,图集内容完整详细,欢迎有需要的朋友点击本文下方相应的下载地址进行下载查阅这份11cj33图集!
温馨提示:
本文档为PDF格式文档,因此需确保在阅读之前你已经安装了pdf阅读器,如果尚未安装阅读器,建议下载福昕pdf阅读器或其他PDF阅读器进行安装后阅读。
图集样张





pdf格式免费版11CJ33通风采光天窗图集(超清电子版)相关内容小编就为大家介绍到这里了,更多pdf格式免费图集资料下载,敬请关注东坡下载站!

运筹学导论初级篇(中文第八版)pdf【清晰免费
Mahout算法解析与案例实战高清电子版
三菱FX2N系列微型可编程控制器使用手册pdf格
从零开始学PHPpdf格式完整影印版
房地产出纳年终工作总结doc格式免费版







GB50016-2014建筑设计防火规范pdf格式免费版
05J909/07G120工程做法完整图集(高清无水印
Spring MVC学习指南pdf高清扫描版
疯狂android讲义第3版pdf高清扫描版【中文版