本节内容小编为大家精选带来的是pdf格式免费彩色版13J933-2体育场地与设施(二)高清电子图集(简称13j9332图集),本图集采用图形、文字、表格、图片等形式,对水上运动、冰上运动、雪上运动的场地与设施进行综合阐述,内容全面、条理清楚、数据详实,便于使用者选用参考,有需要的朋友可以点击本文下方的下载地址进行下载查阅!
温馨提示:
本文档为PDF格式文档,因此需确保在阅读之前你已经安装了pdf阅读器,如果尚未安装阅读器,建议下载福昕pdf阅读器或其他PDF阅读器进行安装后阅读。
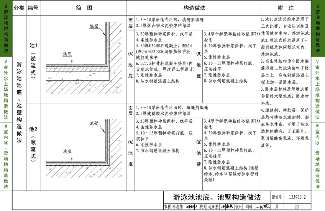
以下为图集样张




13J933-2体育场地与设施(二)高清电子版图集相关内容小编就为大家介绍到这里了,更多pdf格式文档资料下载,敬请关注东坡下载站!

机关人事工作总结doc格式【免费】
Axure RP7网站和APP原型制作从入门到精通pd
MUJI无印良品画册pdf格式高清免费版
97K130-1ZP型消声器(ZW型消声弯管)图集pdf格
三菱FX2N系列微型可编程控制器使用手册pdf格




05J909/07G120工程做法完整图集(高清无水印
GB50016-2014建筑设计防火规范pdf格式免费版
疯狂android讲义第3版pdf高清扫描版【中文版
Spring MVC学习指南pdf高清扫描版
图解机器学习pdf高清扫描版【中文版】