本节内容小编为大家精选带来的是高清无水印版04S519小型排水构筑物电子版高清图集(简称04s519图集),本pdf格式免费电子版04S519小型排水构筑物电子版高清图集共由280页组成,图集内容清晰完整,有需要的朋友点击本文下方的下载地址进行下载即可查看这份04s519图集免费下载内容。
温馨提示:
本文档为pdf格式,因此需确保在阅读之前你已经安装了pdf阅读器,如果尚未安装阅读器,建议下载福昕pdf阅读器或其他PDF阅读器,进行安装后阅读。
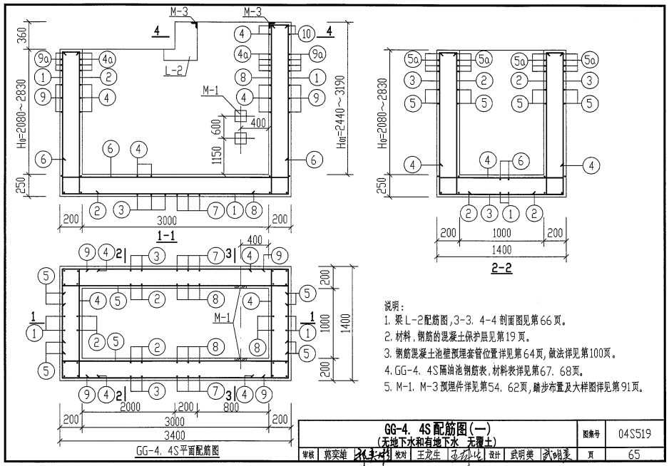
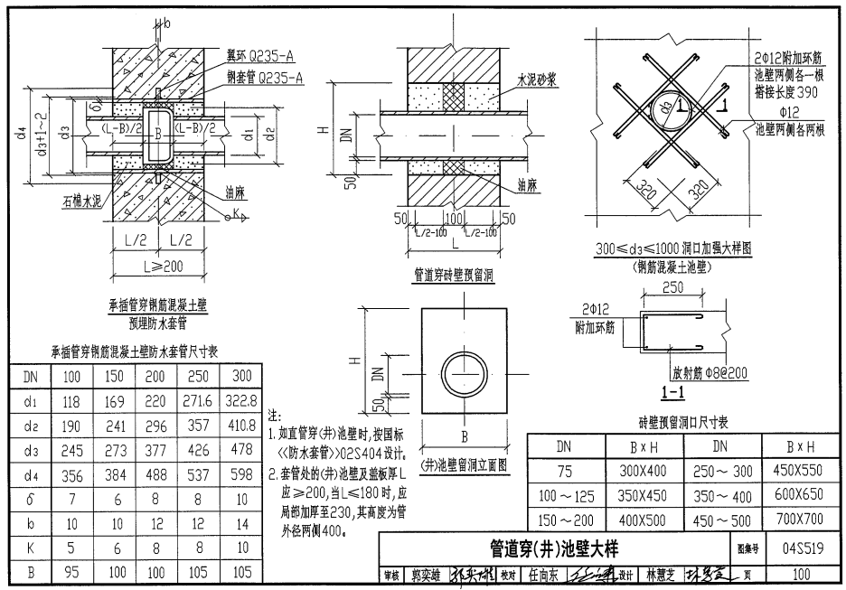
04S519小型排水构筑物电子版高清图集内容截图








04S519小型排水构筑物电子版高清图集相关内容小编就为大家介绍到这里了,更多pdf格式免费图集资料下载,敬请关注东坡下载站!

机器学习实用案例解析(中文完整版)pdf清晰影
L02J101墙身配件图集pdf免费版【13系列山东
94J622-6窗帘电动启闭设备图集pdf格式超清电
20天搞定iPhone软件开发pdf免费完整版【超清
佳能XA35使用说明书pdf格式高清免费版







05J909/07G120工程做法完整图集(高清无水印
GB50016-2014建筑设计防火规范pdf格式免费版
疯狂android讲义第3版pdf高清扫描版【中文版
Spring MVC学习指南pdf高清扫描版
图解机器学习pdf高清扫描版【中文版】