相关资讯
本类常用软件
-
福建农村信用社手机银行客户端下载下载量:584204
-
Windows优化大师下载量:416900
-
90美女秀(视频聊天软件)下载量:366961
-
广西农村信用社手机银行客户端下载下载量:365699
-
快播手机版下载量:325855
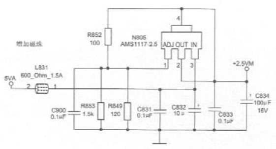
机型:康佳LC42DS60D
故障现象:垂直方向有3帧图像叠加,顶部或底部有时图象卷边。彩色、伴音、各项操作功能均正常。AV、VGA等信号源播放时,依然。
分析与检修过程:伴音、彩色、各项操作功能均正常,说明高频头及中放电路、信号输入切换电子开关电路、主芯片的MCU均正常。
依据故障现象,分析认为:故障部位可能存在于【视频信号与格式变换电路】。对该局部电路展开查测:测查5V供电正常,3.3V正常,VM2.5V正常。说明主要DC-DC变换供电电路正常。依次测查DDR(N302)的1,3、9、15、18、33、55、61供电,发现在2.1-2.3之间呈不稳定变化。
顺此线索向前测查,查到:【2.5V forDDRAM】复合滤波支路,这是DDR的2.5V供电【滤波】分配支路。由L810/C845/C 846/C870,组成一级【LC】复合滤波电路,以提高DDR的抗干扰能力。测查各贴片电容,在路阻值基本正常。测查L810输入端2.5V正常,说明N805正常。测查L801两端,有0.2—0.3V的压降。显然不正常,断电测查L801两端,约有4—11欧变化的不稳定阻值。从VCD废板上拆下一只100mmH左右色环电感,加长引脚,用绝缘管整个套起来,焊入原电路。上电试机,故障解除。
相关电路图如下:

热门评论
最新评论

DNF每日签到送豪
lol7月神秘商店
LOL黑市乱斗怎么
LOL英雄成就标志
骑自行车的正确
在校大学生该如
微信朋友圈怎么